4-Digit Nixie Clock

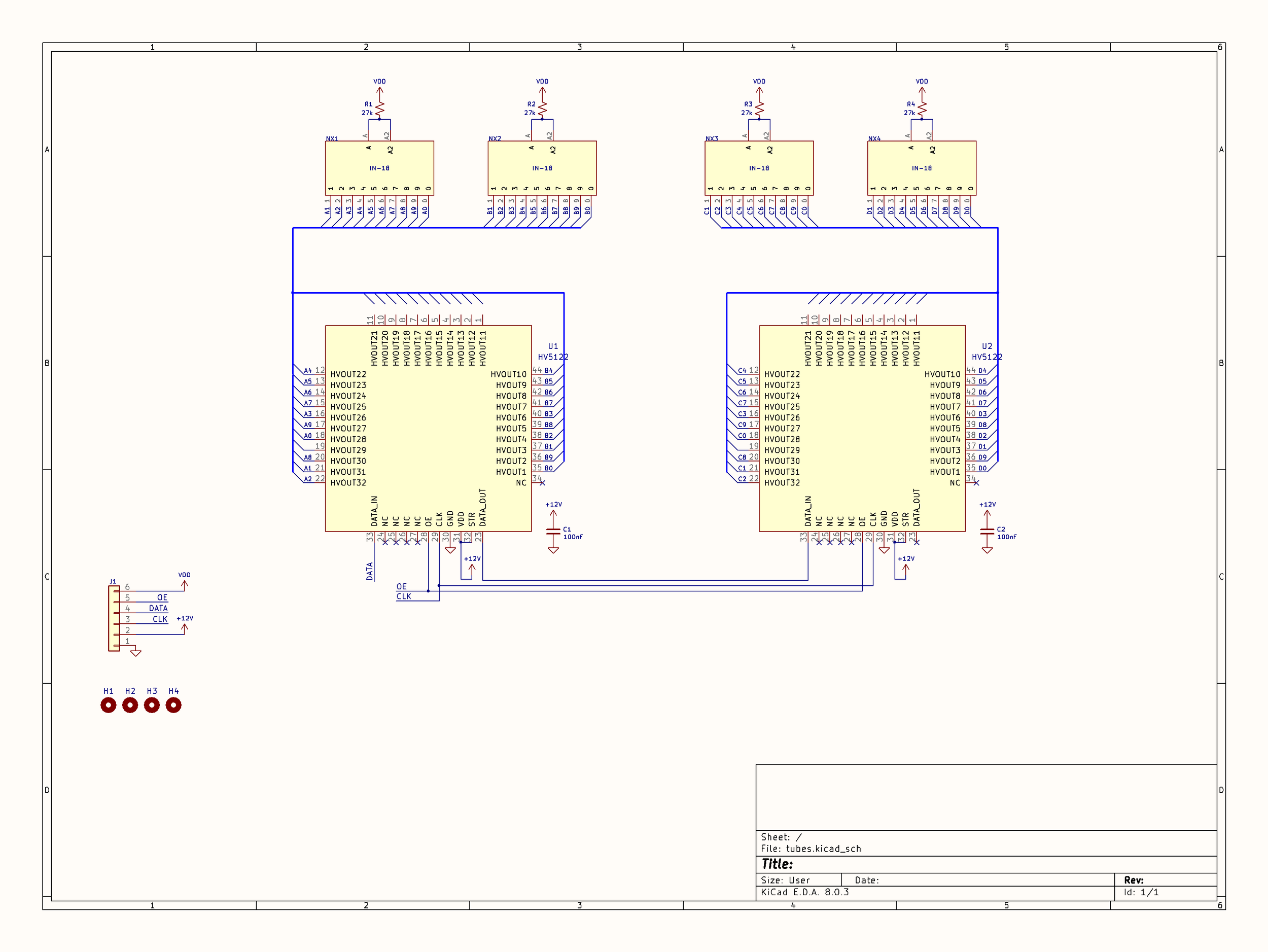
4 IN-18 Nixie tubes powered by HV5122 high voltage serial to parallel converters. Controlled by an ESP32 connected to onboard GPS, 180V transformer, and more. CNC machined aluminum unibody housing with internal cooling fan.

Previous
Previous

Traffic Map

Next
Next

WSPR HAT